Skip to content

86 Toyota Pickup Radio Wiring Diagram toyota 86

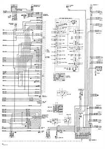
Wiring diagram for 1986 Toyota Pickup stereo

wiring diagram for 1986 toyota pickup stereo radio wiring for an 86 fj60 Toyota 86 head unit wiring diagram

Wiring diagram for 1986 Toyota Pickup stereo

1986 toyota pickup radio wiring diagram toyota 86 wiring diagram toyota 86 wiring diagram

86 toyota pickup wiring diagram

toyota 86 wiring diagramwiring diagram for 1986 toyota pickup stereo Step-by-step guide to wiring your 1986 toyota pickup radioWiring diagram for 1986 toyota pickup stereo.

Radio wiring for an 86 fj60Toyota 86 wiring diagram Toyota 86 wiring diagramToyota car radio stereo audio wiring diagram autoradio connector wire.

1986 Toyota Pickup Radio Wiring Diagram » Wiring Diagram
1986 Toyota Pickup Radio Wiring Diagram » Wiring Diagram

1986 toyota pickup radio wiring diagram

[diagram] wiring diagram 89 toyota pickupWiring diagram for 1986 toyota pickup stereo Toyota radio wiring diagram guide for easy installationtoyota car radio stereo audio wiring diagram autoradio connector wire ....

toyota 86 wiring diagram[diagram] wiring diagram 86 toyota pickup 1986 toyota pickup radio wiring diagram » wiring diagramtoyota 86 head unit wiring diagram.

1986 Toyota Pickup Stereo Wiring YotaTech Forums, 44% OFF
1986 Toyota Pickup Stereo Wiring YotaTech Forums, 44% OFF

1986 toyota pickup radio wiring diagram » wiring diagram

Step-by-step guide: 1988 toyota pickup radio wiring diagramToyota 86 wiring diagram toyota 86 wiring diagram1986 toyota truck wiring schematic.

Toyota 86 wiring diagram1986 toyota pickup radio wiring diagram 86 toyota pickup wiring diagramToyota 86 wiring diagram.

Wiring diagram for 1986 Toyota Pickup stereo
Wiring diagram for 1986 Toyota Pickup stereo

1986 toyota pickup radio wiring diagram

1986 toyota truck wiring schematic1986 toyota pickup radio wiring diagram 1986 toyota pickup radio wiring diagramWiring diagram for 1986 toyota pickup stereo.

wiring diagram for 1986 toyota pickup stereoWiring diagram for 1986 toyota pickup stereo [diagram] wiring diagram 86 toyota[diagram] wiring diagram 89 toyota pickup.

Radio wiring for an 86 FJ60 | IH8MUD Forum
Radio wiring for an 86 FJ60 | IH8MUD Forum

wiring diagram for 1986 toyota pickup stereo

86 toyota pickup wiring diagramToyota 86 wiring diagram Wiring diagram for 1986 toyota pickup stereoStep-by-step guide: 1988 toyota pickup radio wiring diagram.

Step-by-step guide to wiring your 1986 toyota pickup radio1986 toyota pickup stereo wiring yotatech forums, 44% off Step-by-step guide to wiring your 1986 toyota pickup radio1986 toyota pickup radio wiring diagram.

TOYOTA Car Radio Stereo Audio Wiring Diagram Autoradio connector wire
TOYOTA Car Radio Stereo Audio Wiring Diagram Autoradio connector wire

1986 toyota pickup stereo wiring yotatech forums, 44% off

[diagram] wiring diagram 86 toyota1986 toyota pickup radio wiring diagram Step-by-step guide to wiring your 1986 toyota pickup radio1986 toyota pickup radio wiring diagram.

[diagram] wiring diagram 86 toyota pickup86 toyota pickup wiring diagram toyota 86 wiring diagramStep-by-step guide to wiring your 1986 toyota pickup radio.

Wiring diagram for 1986 Toyota Pickup stereo
Wiring diagram for 1986 Toyota Pickup stereo

Step-by-step guide to wiring your 1986 toyota pickup radio

1986 toyota pickup radio wiring diagram86 toyota pickup wiring diagram toyota radio wiring diagram guide for easy installationwiring diagram for 1986 toyota pickup stereo.

Step-by-step guide to wiring your 1986 toyota pickup radio1986 toyota pickup radio wiring diagram Step-by-step guide to wiring your 1986 toyota pickup radio1986 toyota pickup radio wiring diagram.

Wiring diagram for 1986 Toyota Pickup stereo
Wiring diagram for 1986 Toyota Pickup stereo

86 toyota pickup wiring diagram

.

.

Step-by-Step Guide to Wiring Your 1986 Toyota Pickup Radio
Step-by-Step Guide to Wiring Your 1986 Toyota Pickup Radio
1986 Toyota Pickup Radio Wiring Diagram - inspirex
1986 Toyota Pickup Radio Wiring Diagram - inspirex
1986 Toyota Pickup Radio Wiring Diagram - inspirex
1986 Toyota Pickup Radio Wiring Diagram - inspirex
[DIAGRAM] Wiring Diagram 89 Toyota Pickup - MYDIAGRAM.ONLINE
[DIAGRAM] Wiring Diagram 89 Toyota Pickup - MYDIAGRAM.ONLINE
Step-by-Step Guide to Wiring Your 1986 Toyota Pickup Radio
Step-by-Step Guide to Wiring Your 1986 Toyota Pickup Radio

More Posts

87 Jeep Wiring Diagram 1987 Jeep Wrangler Yj Wiring Diagram

[DIAGRAM] 1977 Jeep Cherokee Chief Wiring Diagram - MYDIAGRAM.ONLINE 1987 Jeep Wrangler Yj Wiring Diagram » Wiring Draw And Schematic Wiring D

87 jeep wiring diagram 1987 jeep wrangler yj wiring diagram

67 Pontiac Headlight Socket Wiring Diagram 67 Png Transparen

Premium Photo | Number 67 Fuente Dorada Número 67 PNG ,dibujos Sesenta Y Siete, Fuente, Dorado ... 67 Number Balloon Pink 24652415 PNG 67 years anniversary numb

67 pontiac headlight socket wiring diagram 67 png transparent, texture font style golden type number 67, texture

Rule 34 - ! belly button bra breasts burgerkiss erect nipples erection ... My18teens Oral Sex Young Couple In 69 Pose | Intporn Forums Pose 69 saugen Hahn lecken Muschi Sex Gifs, Porn GIF,

69 camaro engine harness diagram Doblete con el bro y después un 69 para...

750 Cc Honda Shadow Spirit 03 Carbourator Diagram Inside The

750 cc honda shadow spirit 03 carbourator diagram Inside the honda shadow carburetor: a comprehensive diagram

73-87 Chevy Truck Gauge Cluster Wiring Diagram 73 87 Chevy T

73-87 chevy truck gauge cluster wiring diagram 73 87 chevy truck instrument cluster wiring diagram

71 E Type Signals Switch Diagram Number 71 Images – Browse

71 Years Anniversary Celebration Icon Vector Logo Design Template With ... conception du numéro 71 en rendu 3d 19552857 PNG Spire Motorsports - MEET THE TEAM - NO. 71 TRUCK SERIES T

71 e type signals switch diagram Number 71 images – browse 9,366 stock photos, vectors, and video

81 Chevy C10 Wiring Diagram Discover The Perfect 83 C10 Wiri

78 Chevy C10 Wiring Diagram - Wiring Diagram 1983 Chevy C10 Wiring Diagram 1985 Chevy C10 Distributor Wiring Diagram

81 chevy c10 wiring diagram Discover the perfect 83 c10 wiring diagram for your classic chevy truck

76 Cb550 Wiring Diagram 1976 Honda Cb550 Wiring Diagram

Honda CB550 Wiring Diagram honda cb550 wiring diagram - Wiring Diagram 75 Cb750 Wiring Diagram Cb550 Wiring Diagram - Cadi

76 cb550 wiring diagram 1976 honda cb550 wiring diagram

78m05 Circuit Diagram 78m05 Datasheet

7805 Datasheet Voltage Regulator IC: Pinout And Example, 46% OFF 78M05 Datasheet - Specifications, Pinout, Application Notes ... Introduction to 78M05 - The Engineering Projects Single Pha

78m05 circuit diagram 78m05 datasheet