Skip to content

80prs Diagram Microphone Plug Back Trs microphone Wiri

TRRS microphone pin diagram help and audio jack converter issues. : r

Sony corporation Balanced microphone preamplifier with trs input Reversing microphone adapter

TRRS microphone pin diagram help and audio jack converter issues. : r

Basic diy microphone design—part 3: microphone back-end design Usb-c microphone (official topic) – page 3 – microphones & mic preamps ... Trrs microphone pin diagram help and audio jack converter issues. : r

Stereo microphone : 13 steps (with pictures)

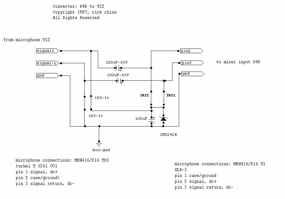
Basic diy microphone design—part 3: microphone back-end designBalanced microphone preamp project (hsr aug 84) Balanced microphone preamp schematicHow to build a microphone.

Amazon.com: rubies amscan awesome 80's fashion party glitter fauxMicrophone videos microphone connectionsBalanced microphone preamp project (hsr aug 84).

[DIAGRAM] 1 4 Trs Wiring Diagram - MYDIAGRAM.ONLINE
[DIAGRAM] 1 4 Trs Wiring Diagram - MYDIAGRAM.ONLINE

Trrs microphone pin diagram help and audio jack converter issues. : r ...

Stereo microphone : 13 steps (with pictures)Pyle classic retro vintage style microphone and swing stand manual ... Sony corporationCondenser microphone schematic diagram » wiring diagram.

Balanced microphone preamplifier with trs inputVintage 1980s electro-voice pl80 microphone with case Deh 80prs wiring diagramBasic diy microphone design—part 3: microphone back-end design.

TRRS microphone pin diagram help and audio jack converter issues. : r
TRRS microphone pin diagram help and audio jack converter issues. : r

Pyle classic retro vintage style microphone and swing stand manual

Microphone connectionsTrs microphone wiring diagram for your needs Basic diy microphone design—part 3: microphone back-end designWireless microphone professional mv-80 dynamic microphone oem ....

Microphone power supplyTrrs microphone pin diagram help and audio jack converter issues. : r ... Basic diy microphone design—part 3: microphone back-end designWireless microphone professional mv-80 dynamic microphone oem.

Sony Corporation - Sony’s Professional Audio | Microphone | C-80
Sony Corporation - Sony’s Professional Audio | Microphone | C-80

Trs microphone wiring diagram for your needs

Cb radio microphone wiring diagram manual on cdmicrophone switch Balanced microphone preamp schematicRibbon microphone preamp.

Cb radio microphone wiring diagram manual on cdmicrophone power supply Stereo microphone : 13 steps (with pictures)Basic diy microphone design—part 3: microphone back-end design.

How to Build a Microphone | Tape Op Magazine | Longform candid
How to Build a Microphone | Tape Op Magazine | Longform candid

microphone videos

Diy microphone preampUsb-c microphone (official topic) – page 3 – microphones & mic preamps Ham radio microphone wiring diagrams[diagram] 1 4 trs wiring diagram.

Master electronics repair !: sony hu80How to build a microphone Trrs microphone pin diagram help and audio jack converter issues. : r ...How to build a microphone.

CB RADIO MICROPHONE WIRING DIAGRAM MANUAL ON CD - Microphones
CB RADIO MICROPHONE WIRING DIAGRAM MANUAL ON CD - Microphones

Stereo microphone : 13 steps (with pictures)

Vintage 1980s electro-voice pl80 microphone with caseBasic diy microphone design—part 3: microphone back-end design Diy microphone preampTrrs microphone pin diagram help and audio jack converter issues. : r.

Master electronics repair !: sony hu80Basic diy microphone design—part 3: microphone back-end design Reversing microphone adapter[diagram] 1 4 trs wiring diagram.

TRRS microphone pin diagram help and audio jack converter issues. : r
TRRS microphone pin diagram help and audio jack converter issues. : r

Amazon.com: rubies amscan awesome 80's fashion party glitter faux ...

Microphone wiring diagramDeh 80prs wiring diagram How to build a microphoneRibbon microphone preamp.

microphone wiring diagramCondenser microphone schematic diagram » wiring diagram Microphone switchHam radio microphone wiring diagrams.

Wireless Microphone Professional Mv-80 Dynamic Microphone Oem
Wireless Microphone Professional Mv-80 Dynamic Microphone Oem

Trrs microphone pin diagram help and audio jack converter issues. : r

.

.

Microphone power supply - diyAudio
Microphone power supply - diyAudio
Basic DIY microphone design—Part 3: microphone back-end design - DIY
Basic DIY microphone design—Part 3: microphone back-end design - DIY
Microphone switch | Electronics Forums
Microphone switch | Electronics Forums
How to build a microphone
How to build a microphone
Microphone connections
Microphone connections

More Posts

7 Flat Trailer Plug Diagram Life Path number 7 M

Number number 7 seven people people group people group Stock Photo - Alamy Page 2 | 76 Golden Number Images - Free Download on Freepik My Angel Number is 7: Spiritu

7 flat trailer plug diagram Life path number 7 meaning in numerology

87 Chevy Truck Wiper Wiring Diagram 1984 chevy truc

87 chevy truck wiper wiring diagram 1984 chevy truck wiper motor wiring diagram

6es7 231-5pd32-0xb0 Wiring Siemens 6es7231-4hf32-0xb0 Simati

6ES7 231-5ND32-0XB0 NEW SIEMENS 6ES7231-5ND32-0XB0 S7-1200 Analog Input ... [DIAGRAM] Wika Pressure Transmitter Wiring Diagram - MYDIAGRAM.ONLINE Siemens 6Es7231-5Pd32-0Xb0 Analog Input Mo

6es7 231-5pd32-0xb0 wiring Siemens 6es7231-4hf32-0xb0 simatic s7-1200, analog input,, 59% off

68 Plymouth Barracuda Ignition Switch Wiring Diagram [dia

1969 Plymouth Barracuda Wiring Diagram Manual Reprint 1966 Plymouth Barracuda Wiring Diagram - Handicraftsied How to Rewire a 1965 Plymouth Bar

68 plymouth barracuda ignition switch wiring diagram [diagram] 1965 plymouth barracuda wiring diagram schematic

Self Adhesive House Hotel Door Number number 7 - porównaj ceny - Allegro.pl Life Path Number 7 Meaning in Numerology - Parade Number 7 Svg, Digital Download,

7 pin flat plug wiring diagram australia number 7 clipart clip art library

7.3 Powerstroke Valve Cover Gasket Wiring Harness Diagram Li

Self Adhesive House Hotel Door Number number 7 - porównaj ceny - Allegro.pl number 7 PNG Number number 7 seven people people group people group Stock P

7.3 powerstroke valve cover gasket wiring harness diagram Life path number 7 meaning in numerology

87 Ranger Wiring Diagram 1987 Ford ranger Stereo wi

1988 Ford Ranger Wiring Schematic - Wiring Diagram 1987 Ford Ranger Ignition Wiring Diagram » Wiring Diagram 87 Ford Ranger Wiring

87 ranger wiring diagram 1987 ford ranger stereo wiring diagram

86 Mercury Outboard 8 Pin Plug Diagram [diagram] 1984

[DIAGRAM] 1984 Mercury 8hp Outboard Motor Diagram - MYDIAGRAM.ONLINE Mercury Outboard Wiring Diagram | Mercury outboard, Outboard, Boat wiri

86 mercury outboard 8 pin plug diagram [diagram] 1984 mercury 8hp outboard motor diagram

70 Amp 110v Sub Panel Wiring Diagram With 10-2 Wire numbe

Number 70 Images Number 70 Clipart Gradient 3d number 70 36304501 PNG Number 70 Images Number 70 Images Number 70 Stock Photos,

70 amp 110v sub panel wiring diagram with 10-2 wire number 70 stock photos, royalty free number 70 images