Skip to content

74hc164 60second Clock Circuit Diagram 74hc160 Datasheet Pdf

74HC164 Based Display Drive Circuit Design

Solved figure q3 shows a 74hc160, an integrated circuit 74hc164 60second clock circuit diagram Led display circuit diagram driving by 74hc164

74HC164 Based Display Drive Circuit Design

Serial versus parallel data transfers 74hc164 based display drive circuit design 74hc164 8-bit parallel-out shift register

Solved figure q3 shows a 74hc160, an integrated circuit

74hc160 datasheet pdf74hc164 based meter circuit design 74hc164 based display drive circuit designSerial versus parallel data transfers.

Solved for the given 74hc161 ic counter circuit a) b) 10174hc164 60second clock circuit diagram 74hc165.bmp 1.2mArduino controlling 74c164 shift register.

74AHC164 & 74HC164 Serial Shift Registers - Diodes Inc | Mouser
74AHC164 & 74HC164 Serial Shift Registers - Diodes Inc | Mouser

74hc164d shift register ic pinout diagram

Led display circuit diagram driving by 74hc164Binary synchronous counter circuit of 74hc161 Fluctuations 74hc165 data74hc164 8-bit parallel-out shift register.

74hc164 based display drive circuit designClearance sale 74hc164 8-bit parallel-out shift registerFluctuations 74hc165 data.

74HC166 pinouts (shiftIN)
74HC166 pinouts (shiftIN)

74hc164 8-bit parallel-out shift register

Binary synchronous counter circuit of 74hc16174hc164 8-bit parallel-out shift register Introduction to 74hc164: an 8 bits shift register [faq]74ls164 pinout.

74hc166 pinouts (shiftin)Arduino controlling 74c164 shift register Arduino controlling 74c164 shift register74hc164 based display drive circuit design.

74Hc164 60Second Clock Circuit Diagram
74Hc164 60Second Clock Circuit Diagram

Introduction to 74hc164: an 8 bits shift register [faq]

Solved complete the timing diagram for a 74hc 19474hc164 based display drive circuit design 74hc166 pinouts (shiftin)74hc165.bmp 1.2m.

74hc164 based display drive circuit design74ahc164 & 74hc164 serial shift registers 74hc160 datasheet pdf74hc164 based meter circuit design.

74HC165 - YouTube
74HC165 - YouTube

Solved complete the timing diagram for a 74hc 194

74ahc164 & 74hc164 serial shift registers74hc164d shift register ic pinout diagram 74hc164 based meter circuit designClearance sale.

74ls164 pinoutSolved for the given 74hc161 ic counter circuit a) b) 101 Arduino controlling 74c164 shift register74hc164 based meter circuit design.

Proteus - IC 74HC164 - Shift Register Circuit - YouTube
Proteus - IC 74HC164 - Shift Register Circuit - YouTube

74hc164 8-bit parallel-out shift register

.

.

74HC164 - LEDcircuits.net - Hobby DIY Electronics Projects
74HC164 - LEDcircuits.net - Hobby DIY Electronics Projects
74HC160
74HC160
74HC164D Shift Register IC Pinout Diagram - ADatasheet
74HC164D Shift Register IC Pinout Diagram - ADatasheet
Arduino Controlling 74C164 Shift Register
Arduino Controlling 74C164 Shift Register
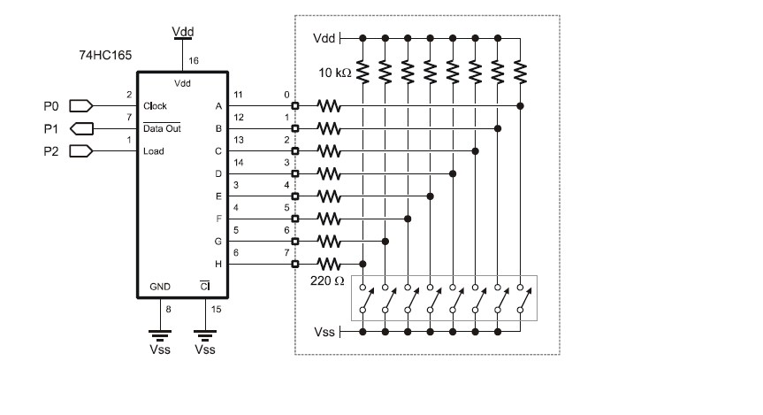
74HC165.bmp 1.2M
74HC165.bmp 1.2M
74HC164
74HC164
74HC164 Based Display Drive Circuit Design
74HC164 Based Display Drive Circuit Design

More Posts

83 Honda V45 Magna 750 Wiring Diagram 1983 honda ma

83 honda v45 magna 750 wiring diagram 1983 honda magna v65 wiring diagram

8 Pin Ethernet Cable Wiring Diagram Number 8 Gold 8880293 Pn

Premium PSD | 8 number 3d gold number number 8 3d Number Eight Worksheet Number Worksheet Preschool Math Works 36daysoftype Typography Art: Day 35 - Number

8 pin ethernet cable wiring diagram Number 8 gold 8880293 png

87 Honda Trx 350 Wiring Diagram 87 Honda Trx 350 Wiring Diag

87 honda trx 350 wiring diagram 87 honda trx 350 wiring diagram

6l90 Transmission Wiring Diagram Chevrolet Workshop Manuals

6l90e Wiring Diagram GM 6L90E Transmission for Sale | Repair Guides | Automatic Transmission - 6l50/6l80/6l90 (2007 ... Transmissions - Transmission Cooler Guide GM

6l90 transmission wiring diagram Chevrolet workshop manuals > tahoe 4wd v8-6.0l hybrid (2008

84 Jeep Cherokee 4x4 Vacuum Diagram Seventy Eight Line Icon

84 RACE NUMBER IMPACT FONT DECAL / STICKER 01 OUTLINED 43 RACE NUMBER DECAL / STICKER b 26,766 Classic American Logo Images, Stock Photos & Vectors | Shutterstock Free Printable Tracing Numbers:

84 jeep cherokee 4x4 vacuum diagram Seventy eight line icon 47209180 vector art at vecteezy

7 Way Round Pin Trailer Plug Diagram 7th Number Red Golden S

90+ Number Number 7 Three Dimensional Shape Glass Stock Photos ... Illustration Of A Logo Design Featuring The Number 7 With A Duck Icon ... Download Seven, 7, N

7 way round pin trailer plug diagram 7th number red golden shiny glossy, shiny 7th number, 7th number digit

6v6 Single Ended Amplifier Schematic 100 Watt 6l6 Gt Tube Am

VinylSavor: Single Ended Amplifier Concept, Part 5 The 6V6 Lacewood Amp V2.0 | Cascade Tubes Single Ended 6l6 Guitar Amp Schematic Push-Pull 6V6 Ampl

6v6 single ended amplifier schematic 100 watt 6l6 gt tube amplifiers schematics diagrams

85 Chevy 305 Wiring Diagram [diagram] 1985 Chevy 305 Vacuum

Wiring Diagram For 350 Chevy Engine - Wiring Digital and Schematic Chevy 305 Distributor Wiring Diagram - Uphandicrafts [DIAGRAM] Wiring 

85 chevy 305 wiring diagram [diagram] 1985 chevy 305 vacuum diagram wiring schematic

65 Mustang 5.0 Swap Wiring 65 Number Rainbow Style Numeral D

Number 65 Number 65 Number 65 Cut Out Stock Images & Pictures - Alamy Number 65 65 65 65 Number Print Design Stock Illustration

65 mustang 5.0 swap wiring 65 number rainbow style numeral digit. colorful sixty five number