Skip to content

70 Hp Evinrude Parts Diagram Ignition System

IGNITION SYSTEM - 1985 Johnson Outboards 140 J140TLCOS | Crowley Marine

Ignition system Evinrude outboard 1982 oem parts diagram for remote control [diagram] wiring diagram evinrude remote control

IGNITION SYSTEM - 1985 Johnson Outboards 140 J140TLCOS | Crowley Marine

The ultimate guide to understanding briggs and stratton carb parts ... Evinrude carburetor parts for 1979 35hp 35953a outboard motor Evinrude outboard 1992 oem parts diagram for ignition system

Electric parts

[diagram] honda 150 hp outboard lower unit diagramevinrude carburetor parts for 1979 35hp 35953a outboard motor evinrude outboard 1978 oem parts diagram for ignition systemEvinrude ignition system parts for 1998 90hp e90tslecm outboard motor.

Ignition system[diagram] 1984 mercury 8hp outboard motor diagram evinrude ignition system parts for 1998 90hp e90tslecm outboard motor[diagram] 1984 mercury 8hp outboard motor diagram.

REMOTE CONTROL GROUP ELECTRIC SHIFT - 1970 Johnson Outboards 115
REMOTE CONTROL GROUP ELECTRIC SHIFT - 1970 Johnson Outboards 115

Evinrude outboard 1972 oem parts diagram for carburetor

Steering handle kitRecoil starter Ignition systemIgnition system.

Evinrude outboard 1973 oem parts diagram for ignition systemevinrude outboard 1986 oem parts diagram for remote control Evinrude outboard 1975 oem parts diagram for ignition systemIgnition system.

Evinrude Outboard 1975 OEM Parts Diagram for Ignition System | Boats.net
Evinrude Outboard 1975 OEM Parts Diagram for Ignition System | Boats.net

evinrude outboard 1972 oem parts diagram for carburetor

[diagram] honda 150 hp outboard lower unit diagramRemote control group electric shift evinrude outboard 1982 oem parts diagram for remote controlIgnition system.

Electric partsevinrude outboard 1989 oem parts diagram for ignition [diagram] 1977 evinrude 115 hp diagramRemote control.

[DIAGRAM] Honda 150 Hp Outboard Lower Unit Diagram - MYDIAGRAM.ONLINE
[DIAGRAM] Honda 150 Hp Outboard Lower Unit Diagram - MYDIAGRAM.ONLINE

evinrude outboard 1992 oem parts diagram for ignition system

Ignition systemRemote control group electric shift Exhaust housingevinrude outboard 1975 oem parts diagram for ignition system.

Remote control[diagram] yamaha 40 hp diagram Ignition systemIgnition system.

Evinrude 1993 175 - E175NXETR, Power Trim/Tilt Quiet Rider - parts catalog
Evinrude 1993 175 - E175NXETR, Power Trim/Tilt Quiet Rider - parts catalog

Recoil starter

Evinrude outboard 1989 oem parts diagram for ignition[diagram] 1977 evinrude 115 hp diagram Ignition systemThe ultimate guide to understanding briggs and stratton carb parts.

Distributor group electric shift parts for 1967 80hp v4al-19 outboard motorRemote control Ignition system[diagram] wiring diagram evinrude remote control.

IGNITION SYSTEM - 1985 Johnson Outboards 140 J140TLCOS | Crowley Marine
IGNITION SYSTEM - 1985 Johnson Outboards 140 J140TLCOS | Crowley Marine

[diagram] yamaha 40 hp diagram

Remote controlDistributor group electric shift parts for 1967 80hp v4al-19 outboard motor evinrude outboard 1973 oem parts diagram for ignition system[diagram] 1989 evinrude 90 hp wiring diagram.

Steering handle kit[diagram] 1989 evinrude 90 hp wiring diagram Evinrude outboard 1978 oem parts diagram for ignition systemExhaust housing.

Evinrude Outboard 1978 OEM Parts Diagram for Ignition System | Boats.net
Evinrude Outboard 1978 OEM Parts Diagram for Ignition System | Boats.net

Ignition system

Evinrude outboard 1986 oem parts diagram for remote control .

.

ARIMain - WEINGARTZ
ARIMain - WEINGARTZ
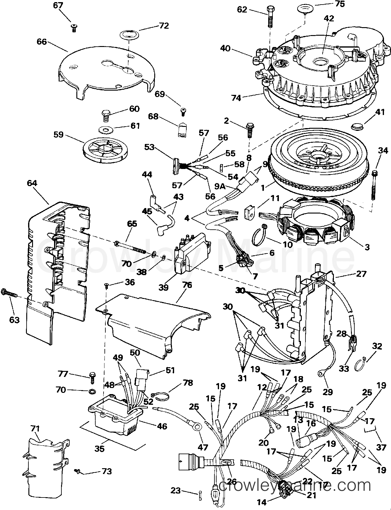
ELECTRIC PARTS - 1987 Outboard 70hp 70ETLH | Crowley Marine
ELECTRIC PARTS - 1987 Outboard 70hp 70ETLH | Crowley Marine
IGNITION SYSTEM - 1991 Outboard 175 E175GLEIS | Crowley Marine
IGNITION SYSTEM - 1991 Outboard 175 E175GLEIS | Crowley Marine
The Ultimate Guide to Understanding Briggs and Stratton Carb Parts
The Ultimate Guide to Understanding Briggs and Stratton Carb Parts
IGNITION SYSTEM - 1984 Evinrude Outboards 40 E40ECRM | Crowley Marine
IGNITION SYSTEM - 1984 Evinrude Outboards 40 E40ECRM | Crowley Marine
Evinrude Outboard 1992 OEM Parts Diagram for Ignition System | Boats.net
Evinrude Outboard 1992 OEM Parts Diagram for Ignition System | Boats.net

More Posts

7010b Radio Wiring Harness The Ultimate Guide To Using The M

Radio Wiring Harnesses | Amazon.com 7010b radio wiring diagram 7010B Stereo Wiring Diagram – Easy Wiring 7010b radio wiring diagram

7010b radio wiring harness The ultimate guide to using the metra 70-1761 radio wiring harness for ...

87 Honda Atv 250x Cdi Box Wiring Diagram Color Codes hond

Honda Wiring Color Codes - Wiring Flash [DIAGRAM] 1982 Honda Xl 100 Wiring Diagram Wiring Diagram - MYDIAGRAM ... 1975 Honda xl2

87 honda atv 250x cdi box wiring diagram color codes honda motorcycle wiring color codes » wiring technology

66 Chevelle Engine Bay Wiring Diagram 1966 chevelle Fa

1966 Chevy Chevelle Wiring Diagram 1966 CHEVELLE FACTORY ASSEMBLY INSTRUCTION MANUAL 1966 Chevy Chevelle Wiring Diagram - Wiring Flow Schema 1966 CHE

66 chevelle engine bay wiring diagram 1966 chevelle factory assembly instruction manual

70s Style Septic System Diagram [help] Reading An Old 1960s

Septic tank diagram vector illustration, toilet septic tank system ... Septic Tank System Diagram Stock Illustration - Download Image Now ... Septic 

70s style septic system diagram [help] reading an old 1960s septic tank diagram to prep for inspection

750 Cc Honda Shadow Spirit 03 Carbourator Diagram Inside The

750 cc honda shadow spirit 03 carbourator diagram Inside the honda shadow carburetor: a comprehensive diagram

Number - Number 8 Transparent Background - Free Transparent PNG Clipart ... What Does The Number 8 Mean? The Infinite Wisdom of Eight - Onedio Eight "Number, num

8 transistor amplifier circuit diagram number eight 8 vinyl decal lucky number 8 car window laptop sticker ...

813 Tube Audio Amplifier Schematic 813 tube a

7W audio amplifier using TBA810 - Engineering Projects My 813 Linear Amplifier 813 Tube Amplifier Schematic Stereo Tube Amplifier Schematics

813 tube audio amplifier schematic 813 tube amplifier schematic

8051 Schematic Diagram Driver Circuit For 8051 Microcontroll

[DIAGRAM] 8051 Pin Diagram Ppt - MYDIAGRAM.ONLINE 8051 microcontroller circuit diagram - Circuit Diagram 8051 Schematic Diagram 8051 Pin Diagram P

8051 schematic diagram Driver circuit for 8051 microcontroller

87 Llv Fuel Pump Wiring Diagram 87 Llv Fuel Pump Wiring Diag

1987 Gmc Truck Fuel Pump Wiring Diagram » Diagram Board 87 Chevy Truck Fuel Pump Wiring Diagram - Wiring Digital and Schematic 1987 C

87 llv fuel pump wiring diagram 87 llv fuel pump wiring diagram 1987 gmc fuel pump wiring